Doručení probíhá do 2 pracovních dnů; e-mail: info@briv.cz
Senzor teploty a vlhkosti ClosedCube SHT35-D [digitální s rozhraním I2C] s typickou přesností +/- 1,5 % RH a +/- 0,1 °C
Charakteristika:
- Plně kalibrovaný, linearizovaný a teplotně kompenzovaný analogový výstup
- Široký rozsah napájecího napětí od 2,4 V do 5,5 V
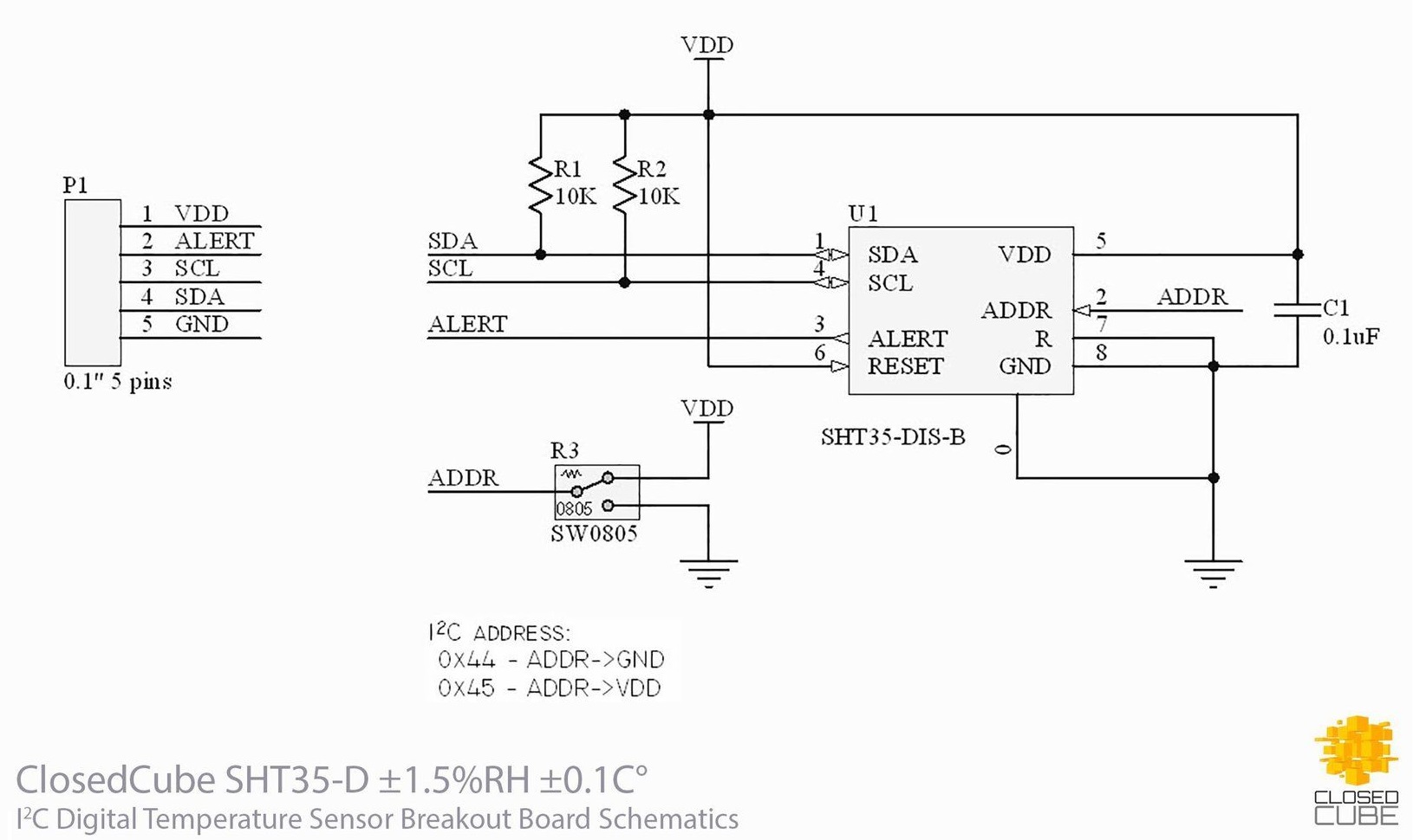
- Rozhraní I2C s komunikační rychlostí až do 1 MHz a se dvěma volitelnými adresami
- Typická přesnost +/- 1,5 % RH a +/- 0,1 °C
- Velmi rychlý čas zapínání a měření
- I2C adresa (7-bitová) může být 0x44 nebo 0x45
- VÝSTRAŽNÝ kolík umožňuje výstražný režim, jako kontrolor vlhkosti a teploty
SHT35-DIS je vybaven výstražným režimem, pokud pracuje v režimu periodického sběru dat. Výstražný režim umožňuje monitorování podmínek okolního prostředí (vlhkost a teplota) a srovnává je s nastavenými limity. Když dojde k dosažení limitu, the hodnota určeného VÝSTRAŽNÉHO kolíku se změní. Navíc, a bit stavového registru označí příčinu výstrahy.
VÝSTRAŽNÝ kolík může být také připojen ke kolíku přerušení na mikroovladači. Po přijetí výstrahy od SHT35 se mikroovladač probudí z režimu spánku, a poté provede určité akce.
Nové rozvržení desky poskytuje (volitelnou) ochranu senzoru proti tekutinám, prachu, sazím, částicím a jiným nečistotám díky filtračnímu víčku Sensirion IP67 FS2 (není připevněno k desce, prohlédněte si doporučená lepidla)
Technické detaily:
- Senzor Mfr. # SHT35-DIS
- Rozsah napájecího napětí: 2,4 V až 5,5 V (typ. 3,3 V)
- RH čas odezvy: 0–100 % RH
- Rozsah provozní teploty: -40 až 125 °C (-40 až 257 °F)
- Tolerance přesnosti: Tip. +/- 1,5 % RH +/- 0,1 °C
- Rozhraní: I2C
- PCB velikost: 14 x 21 mm
Specifikace a dokumenty:




































Nový komentář